全部商品分类
  • 型号

  • 尺寸(mm/in.) d

    1mm

    1-1/16mm

    1-1/2mm

    1-1/4mm

    1-1/8mm

    1-11/16mm

    1-13/16mm

    1-15/16mm

    1-3/16mm

    1-3/4mm

    1-3/8mm

    1-5/16mm

    1-5/8mm

    1-7/16mm

    1-7/8mm

    1-9/16mm

    1/2mm

    2mm

    2-1/16mm

    2-1/4mm

    2-1/8mm

    2-3/16mm

    2-3/8mm

    2-5/16mm

    2-7/16mm

    3/4mm

    5/8mm

    7/8mm

    12mm

    13/16mm

    15mm

    15/16mm

    17mm

    20mm

    25mm

    30mm

    35mm

    40mm

    45mm

    50mm

    55mm

    60mm

  • 尺寸(mm/in.) D

    1.8504 mm

    2.0472 mm

    2.4409 mm

    2.8346 mm

    3.1496 mm

    3.3465 mm

    3.5433 mm

    3.937 mm

    4.3307 mm

    47 mm

    52 mm

    62 mm

    72 mm

    80 mm

    85 mm

    90 mm

    100 mm

    110 mm

  • 尺寸(mm/in.) B

    1.2205 mm

    1.374 mm

    1.5 mm

    1.689 mm

    1.937 mm

    2.0315 mm

    2.189 mm

    2.563 mm

    31 mm

    34.9 mm

    38.1 mm

    42.9 mm

    49.2 mm

    51.6 mm

    55.6 mm

    65.1 mm

SER2系列

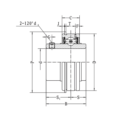
产品参数
PDF 下载 询价 轴承型号 尺寸(mm/in.) 动载(N) 静载(N) 重量(kg)
d D B C S S1 T F J P G ds