全部商品分类
  • 型号

  • 基本尺寸mm d

    10mm

    12mm

    15mm

    17mm

    20mm

    25mm

    30mm

    35mm

    40mm

    45mm

    50mm

    55mm

    60mm

    65mm

    70mm

    75mm

  • 基本尺寸mm D

    30 mm

    32 mm

    35 mm

    40 mm

    42 mm

    47 mm

    52 mm

    62 mm

    72 mm

    80 mm

    85 mm

    90 mm

    100 mm

    110 mm

    120 mm

    125 mm

    130 mm

    140 mm

    150 mm

    160 mm

  • 基本尺寸mm B

    14 mm

    15.9 mm

    17.5 mm

    19 mm

    20.6 mm

    22.2 mm

    23.8 mm

    25.4 mm

    27 mm

    30.2 mm

    33.3 mm

    34.9 mm

    36.5 mm

    38.1 mm

    39.7 mm

    41.3 mm

    44.4 mm

    49.2 mm

    54 mm

    58.7 mm

    63.5 mm

    68.3 mm

d 10-75-mm

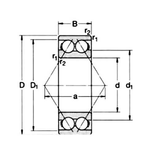
产品参数
PDF 下载 询价 型号 基本尺寸mm 基本额定负荷kN 疲劳负荷极限 Pu Speed ratingsrpm 质量kg 尺寸mm 挡肩及倒角尺寸mm
轴承型号 其他密封 保持架 d D B 动态 C 静态 Co 带防尘盖轴承 密封轴承 d1
D1
r1,2
最小
a da
最小
da
最大
Da
最大
ra
最大