全部商品分类
  • 型号

  • 基本尺寸mm d

    35mm

    40mm

    45mm

    55mm

    65mm

  • 基本尺寸mm D

    68 mm

    80 mm

    85 mm

    100 mm

    110 mm

    120 mm

    140 mm

  • 基本尺寸mm T

    19 mm

    19.75 mm

    22.75 mm

    32 mm

    34 mm

    36 mm

    38.25 mm

    45.5 mm

d 35-65mm

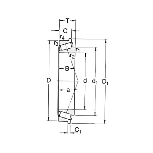
产品参数
PDF 下载 询价 型号 基本尺寸mm 基本额定负荷kN 疲劳负荷极限 Pu 额定转速r/min 质量 尺寸mm 挡肩及倒角尺寸mm 计算系数
d D T 动态 C 静态 Co 参考转速 极限转速 d d1
D1 B C C1 r1,2
最小
r3,4
最小
a da
最大
db
最小
ra
最大
e Y Yo