全部商品分类
  • 型号

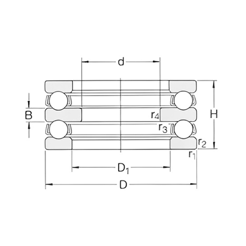
  • 基本尺寸mm d

    10mm

    15mm

    20mm

    25mm

    30mm

    35mm

    40mm

    45mm

    50mm

    55mm

    60mm

    65mm

    70mm

    75mm

    85mm

    95mm

    100mm

    110mm

    120mm

    130mm

    140mm

    150mm

  • 基本尺寸mm D

    32 mm

    40 mm

    47 mm

    52 mm

    60 mm

    62 mm

    68 mm

    70 mm

    73 mm

    78 mm

    80 mm

    85 mm

    90 mm

    95 mm

    100 mm

    105 mm

    110 mm

    115 mm

    120 mm

    125 mm

    130 mm

    135 mm

    140 mm

    150 mm

    160 mm

    170 mm

    190 mm

    200 mm

    215 mm

    225 mm

    240 mm

    250 mm

  • 基本尺寸mm H

    22 mm

    26 mm

    28 mm

    29 mm

    34 mm

    36 mm

    37 mm

    38 mm

    39 mm

    44 mm

    45 mm

    46 mm

    47 mm

    48 mm

    49 mm

    52 mm

    55 mm

    58 mm

    59 mm

    62 mm

    64 mm

    65 mm

    67 mm

    68 mm

    72 mm

    79 mm

    80 mm

    81 mm

    87 mm

    89 mm

    90 mm

    93 mm

    97 mm

    98 mm

    107 mm

d 10-150mm

产品参数
PDF 下载 询价 型号 基本尺寸mm 基本额定负荷kN 疲劳负荷极限 Pu 最小负荷系数 A 额定转速r/min 质量 kg 尺寸mm 挡肩及倒角尺寸mm
轴承型号 其他保持架 d D H 动态 C 静态 Co 参考转速 极限转速 d1
B r1,2
最小
r3,4
最小
da Da
最大
ra
最大
rb
最大